100均パーツを使った大吟醸Bluetoothワイヤレススピーカーの製作
100均で売ってるスピーカー単体では、有線接続が必要なのはもちろん、プレイヤーよりもボリュームが下がってしまい、そのうえモノラルになってしまうちょっと残念な商品ですが、アンプに繋げば結構良い音を出してくれます。(前回の記事参照。)
今回、このモノラルスピーカー2つをAmazonで売ってる格安D級アンプに接続、されにBluetoothオーディオレシーバーと組み合わせてBluetoothワイヤレススピーカーを組み上げました。バッテリーと充電制御も内蔵しているので、どこにでも持ち運んでスマホとペアリングして音楽を楽しめます。
スピーカーの筐体には日本酒(大吟醸)が入っていた桐箱を加工して使用。安価な材料を組み合わせて、見た目もおしゃれで、機能性にも優れたBluetoothワイヤレススピーカーを自作することができました。

動作の様子や、主な製作手順についてはYoutubeに挙げましたのでそちらを御覧いただきたいのですが、こちらでは詳細な設計情報をまとめておきたいと思います。
目次
こんなふうに動きます&こんなふうに作ってます
1週間の製作工程をできるだけ録画してコンパクトにまとめてみました。
動作の様子や、主な製作手順についてはこちらの動画を御覧ください。
100均パーツを使った大吟醸Bluetoothワイヤレススピーカーの製作
100均スピーカーを大音量ステレオスピーカーにする
100均のスピーカーはそのまま使ったら元のプレイヤーよりも音声が小さくなり、モノラル化してしまい、さらに有線接続が必要な、ちょっと残念なものですが、アンプに繋いでステレオ化するとなかなかいい音を出してくれます。
基本的には、Amazonで1個160円ぐらいで売ってる安価なD級アンプをつなぐだけでOKです。こちらの主要パーツについては前回の記事を御覧ください。

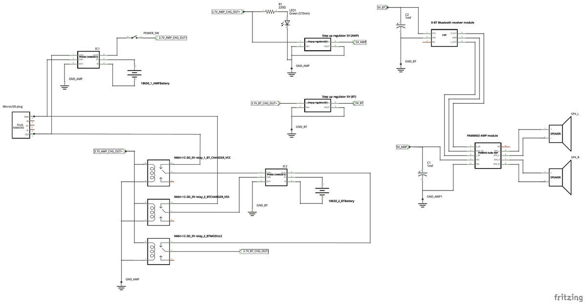
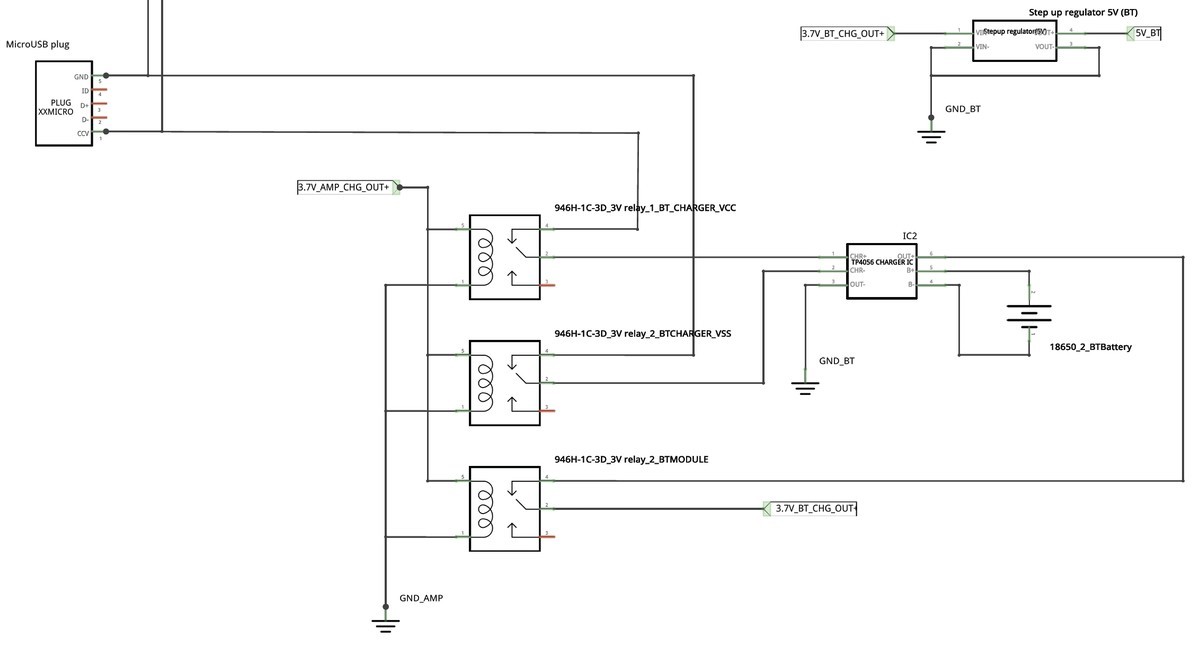
回路図
回路図です。

詳細なPDFデータ、Fritzingデータはgithubに公開していますのでご自由にご利用ください。
以下、各モジュールの説明です。
Youtubeで概ねの加工手順は掲載したのですが、各モジュールの詳細には触れていないので、こちらでポイントをまとめました。
Bluetoothオーディオプレイヤーモジュールとの接続

3.7Vバッテリー電源から、DCDCコンバーターで5Vに昇圧した電源を供給しています。
今回使ったBluetoothオーディオプレイヤーモジュール(KKHMF 2個 Mini ブルートゥースデコーダボードMP3モジュール 無損車スピーカアンプ回路基板 Bluetooth 4.1をサポート 「国内配送」)が、Bluetooth接続後、電源ラインに盛大なノイズを出してきました。アンプモジュールと同じ電源ラインに接続してしまうと、本格的なノイズ対策回路がいりそうです。今回、100均スピーカーということでノイズ対策を真面目にやる気力が置きなかったので、電源分離をしています。Bluetoothオーディオプレイヤー用バッテリーを搭載し、そのバッテリーを5V昇圧して個別に使っています。バッテリーを2個に分けると、充電コネクタも2個用意するのはちょっとかっこ悪かったので、電源スイッチがOFF状態のときだけBluetoothオーディオプレイヤーモジュールとそのバッテリーラインにUSB充電コネクタに接続されるよう、リレーで制御しています。
それ以外の回路は、基本そのまま接続しています。


Bluetoothオーディオプレイヤーモジュールと電源LEDの状態が見えるようにする工夫
今回、木の筐体を作るので、LEDやスイッチを外に出すのに結構苦労しました。
LED状態を外から見えるようにするには、スモークのプラスチック板を裏側から見えるようにしています。

LEDが付いた基板を外向きに配置し、長めのボルト・ナットで貫通するように取り付けをしました。

木の箱に穴を空け、一回り大きいサイズのプラスチック板を用意します。

LED状態を見せたいBluetoothオーディオモジュールと電源LED基板を支えになるプラスチック版(写真は、100均の名刺入れを流用しました。丈夫で電気基板を固定するプレートとしてはちょうど良いです。)

基板と固定プレートに穴を空けて、ネジで固定します。


基板と表に見えるスモーク板を挟むようにしてボルトで固定します。

これを筐体の表面から見ると、こんな感じでいい感じに見えるようになります。

うっすら基板も見えてちょっとかっこいい感じになりました。
筐体裏側の充電モジュールも同じ方法でLEDが見えるようにしています。

表面実装LEDが多い基板を筐体に押し込むときには使えそうです。
アンプモジュール基板の製作
アンプモジュールから、オーディオ入力用の端子、左右のスピーカー出力端子を引っ張り出しています。また、電源入力コネクタを用意し、電源ラインのコネクタから入ってきた直後に、ノイズ対策用の大型の電解コンデンサ(1000μF)をつけています。


今回はジャンパ線をできるだけ使わないように配置しました。
主要パーツリスト
最後に、今回の作品の製作に必要な主要パーツをリストアップしておきます。
![HiLetgo 5個セットPAM8403 ミニ 5V デジタル アンプ基板 USB 電源 オーディオ アンプ [並行輸入品] HiLetgo 5個セットPAM8403 ミニ 5V デジタル アンプ基板 USB 電源 オーディオ アンプ [並行輸入品]](https://m.media-amazon.com/images/I/51rVq+X-ioL._SL160_.jpg)










